連載
「PUBG」のテスト方法を再考した4Gamerベンチマークレギュレーション22.1公開
![]() |
4Gamerの場合,読者として日本のゲーマーを対象としているため,テストに用いるプログラムも評価基準も基本的にはゲームを想定している。ただ,ご存じのとおりゲームには流行があり,時間の経過とともに「プレイされるタイトル」は移り変わるため,「何を使ってテストを行うか」は,定期的に見直していく必要がある。
結果として,過去約11年にわたって,「どのゲームを使って,どのようにテストするか」を定めたレギュレーション(regulation,規定)を,大枠で19回刷新し,そのたびに読者の便宜のため公開してきたわけである。
ただ,そのなかで,ゲームやハードウェアの進化にレギュレーションが対応しきれなくなるという現実も出てきた。そこで,レギュレーション20世代以降においては,テスト方法の根幹を見直し,再設計することにした次第だ。
レギュレーション20世代以降のバックナンバーは下の囲みからアクセスしてほしい。また,19世代以前のレギュレーションはその下に示したリンクボタンの先で今後も閲覧できるようにしておくので,過去のテスト方法を知りたい場合は,そちらを参照してもらえればと思う。
更新履歴
- 2025年6月27日
バージョン31 - 2024年10月15日
バージョン30 - 2024年4月30日
バージョン29 - 2023年12月19日
バージョン28 - 2023年7月31日
バージョン27 - 2023年3月29日
バージョン26.1 - 2022年12月12日
バージョン26 - 2021年11月9日
バージョン25 - 2021年5月28日
バージョン24 - 2020年8月5日
バージョン23.2 - 2020年6月30日
バージョン23.1 - 2020年6月15日
バージョン23 - 2018年11月7日
バージョン22.1 - 2018年8月22日
バージョン22.0 - 2017年12月22日
バージョン21.0 - 2017年9月12日
バージョン20.1 - 2017年7月31日
バージョン20.0
バージョン19世代以前のレギュレーショントップページ
本稿で取り上げるベンチマークレギュレーション22.1の詳細項目は,下に並べた記事内リンクから確認してほしい。
■ベンチマークレギュレーション22.1もくじ
GPU性能検証
レギュレーション19世代以前で4Gamerは,まず2種類の描画設定プリセットやそれに準ずるグラフィックス設定(以下,便宜的に「描画設定プリセット」とする)を選択したうえで,その2条件に対して2パターンの解像度設定でテストを行うスタイルを取ってきた。これはベンチマークレギュレーション1.0の頃に「アンチエイリアシングとテクスチャフィルタリングの有効/無効」で描画負荷設定の2条件を既定していた頃の名残だったりもするのだが,レギュレーション20世代以降ではこれを変更したい。ゲームアプリケーションのテストにあたっては,
- 1つの描画設定プリセットを選択し,それに対して3パターンの解像度設定を選択
して,テストを行うことにする。描画設定プリセットをどうするかという話は,アプリケーションごとに行う。
では,レギュレーション20世代において,どのアプリケーションでテストを行うかだが,それは以下にまとめたとおりだ。タイトル名のリンクをクリックすると各論へ飛べるようにしてあるので,参考にしてほしい。
■レギュレーション22.0の採用アプリケーション
- 3DMark
- Far Cry 5
- Overwatch
- PLAYERUNKNOWN'S BATTLEGROUNDS
- Fortnite
- Middle-earth: Shadow of War
- ファイナルファンタジーXIV: 紅蓮のリベレーター
- Project CARS 2
■ベンチマークレギュレーション22.0関連コラム
テストにあたっては,平均フレームレートだけでなく,最小フレームレートも取得することにした。これまでも4Gamerでは,事前検証で「この程度の最小フレームレートがあればゲームをプレイできる」というおおよその基準を設定し,それを実現できる平均フレームレートを示してきたが,であるなら最小フレームレートも掲載していたほうが,読者には便利だろうというのがその理由である。
特別な事情がない限り,テストに用いるOSは64bit版Windows 10となる。
OSに絡んで1つ述べておく必要があるのは,レギュレーション19世代まで基本的に無効化していた,CPUの省電力機能や自動クロックアップ機能は,レギュレーション20以降,基本的に有効化するということだ。これは,後述するとおり,CPUとGPU(=グラフィックスカード)の消費電力を個別に取得できるようになったので,「であればゲーマーの日常的な環境のほうがテストに適しているだろう」という判断による。
一方で,Windowsの電源プランは,少なくともデスクトップ環境では,CPUが最高性能を発揮できる「高パフォーマンス」を手動で選択する。ノートPCの場合はこの限りではないため,その場合はどの電源プランを選択したかを本文で明記していくことにする。
■3DMark
![]() |
2013年2月以降,製品名の後ろにあった付帯表記がなくなり,シンプルな製品名となった3DMark。フィンランド時間2016年7月14日公開のVersion 2.1.2852では,DirectX 12対応のテストである「Time Spy」が追加となり,さらに2017年10月11日公開のVersion 2.4.3802では,そのTime Spyを4K解像度で実行する「Time Spy Extreme」が追加となった。
現在はそんなTime Spyシリーズと,DirectX 12世代のグラフィックス機能統合型CPUおよびAPUがターゲットとなる「Night Raid」,DirectX 11世代の単体グラフィックスカードが対象の「Fire Strike」,そしてDirectX 9/OpenGL ES 2.0ベースで,WindowsとAndroid,iOS間の横断的な比較を行えるテストである「Ice Storm Unlimited」が主なベンチマーク構成になっている。
![]() Time Spy |
![]() Night Raid |
![]() Fire Strike |
![]() Ice Storm Unlimited |
このうち,主に利用することになるのは,Fire StrikeとTime Spyの2つだ。Fire Strikeには,1920
一方,Time Spyは解像度2560
また,Time Spy Extremeは,8コアを超えるハイエンドCPUを想定した,負荷の高いテストになっているため,CPUテストでも積極的に活用していくことなるだろう。
![]() |
テスト方法は以下のとおりで,「2回実行し,高いほうを採用する」ことになる。
●実行手順
- 3DMarkを起動
- 「MORE TESTS」を選択
- 「Fire Strike」「Fire Strike Extreme」「Fire Strike Ultra」もしくは「Time Spy」を選択
- 「Include demo」のスライドをチェックし「No」にする
- 「RUN」をクリックしてベンチマークを実行
- スコアデータの取得後,(5)を再度実行
- 「BENCHMARKS」タブを選択し,「Time Spy」の「DETAILS」をクリック
- 「Include demo」のスライドをチェックし「No」にする
- [RUN]ボタンをクリックしてベンチマークを実行
- スコアデータの取得後,(9)を再度実行
- 「Time Spy Extreme」でも(9)〜(11)を実行する
■Far Cry 5
![]() |
![]() |
そんなFar Cry 5をベンチマークレギュレーションで採用するにあたって,今回は下記のとおりの設定を行うことにした。
●ゲーム設定
- バージョン:最新版(Uplayによる自動アップデート)
- セーブデータ:不要
・ゲーム設定:オプション−映像−モニター
- ビデオアダプター:テストによる
- ディスプレイ:1
- メニューディスプレイ:1
- ウィンドウモード:フルスクリーン
- アスペクト比:ネイティブ(16x9)
- ディスプレイ解像度:テストによる
- リフレッシュレート:60
- HDRを有効にする(HDRディスプレイが必要):N/A
・ゲーム設定:オプション−映像−クオリティ
- 画質:最高/中
- テクスチャフィルター:プリセットによる
- シャドウ:プリセットによる
- ジオメトリー&植物:プリセットによる
- 環境:プリセットによる
- 水:プリセットによる
- 地形:プリセットによる
- ボリュームフォグ:プリセットによる
- アンチエイリアス:プリセットによる
- モーションブラー:プリセットによる
・ゲーム設定:オプション−映像−色
- 明るさの調整:任意
- コントラスト:任意
- ガンマ:任意
- 色覚補正モード:オフ
・ゲーム設定:オプション−映像−詳細設定
- V-Sync:オフ
- フレームレート固定を有効にする:オフ
- フレームレート固定:(グレーアウト)
- 視野角のスケーリング:75
- 解像度スケール:1
・ゲーム設定:オプション−音声
- マスターボリューム:任意
- 音楽:オン
- 字幕:日本語
- 字幕背景:オフ
- ボイスチャット:オン
- ボイスチャット音量:任意
- ピックアップ感度:0
- ボイスチャット:任意
Far Cry 5におけるグラフィックス設定は「オプション」の「映像」に用意された「クオリティ」というサブメニューにまとまっている。そして,それらは「画質」の項目からプリセットを選択することで一括して設定が可能だ。
用意されているプリセットの選択肢は「最高」「高」「中」「低」の4つ。これらのプリセットから,レギュレーション22世代では基本的に,最も描画負荷の高い「最高」と,比較的低い「中」を採用することになる。
![]() |
![]() |
テスト方法だが,Far Cry 5にはベンチマークモードが用意されており,オプションメニューから起動できるため,これを使う。
ベンチマークモードのデモシークエンスは,フライバイ(flyby)でレジスタンスの拠点から池のほとりへ向かい,敵対する教団の連中と戦闘を行うといったシーンを描くものとなっている。テスト中は右上にそのときどきのフレームレートとともにフレームレートの推移が折れ線グラフとして出て,テストが終わると最小,平均,最大それぞれのフレームレートと,レンダリングフレーム数を表示してくれる。また,フレームレートの最終的な推移も折れ線グラフで出力してくれるという親切な仕様だ。
![]() |
![]() |
事前検証の結果では,フレームレートのバラツキはほとんど見られなかったため,2回テストを実施し,その平均フレームレートをスコアとして採用することになる。
実行手順は下に示したとおりとなる。
●実行手順
- Far Cry 5を起動
- 「オプション」の「映像」にある「詳細設定」において,「V-Sync」と「フレームレート固定を有効にする」を「オフ」に設定
- 「オプション」の「映像」にある「モニター」において,「ディスプレイ解像度」から解像度を設定
- 「オプション」の「映像」にある「クオリティ」において,「画質」からプリセットを選択
- [F5]キーを押してベンチマークを実行
- ベンチマーク終了後に表示される平均フレームレートと最小フレームレートを記録する
- [Esc]キーを押して「オプション」に戻り,再度[F5]キーを押してベンチマークを実行
- 3.以降を解像度などを変更しながら繰り返す
![]() |
なお,最小フレームレート50fpsを確保できるとゲームの動きは目に見えて違ってくるため,ハイエンドGPUのテストにおいては,この水準をクリアできる平均60fpsを合格ラインにしたいと思う。
組み合わせるCPUは,4コア4スレッドに対応していれば,その性能がボトルネックになることはまずない。4コア8スレッドや6コア12スレッド,8コア16スレッド対応のCPUを用意しても,それ以上にスコアが向上することはないが,一方で2コア4スレッド対応のCPUを組み合わせた場合はフレームレートが10%ほど低下するので,この点は押さえておきたいところだ。
■Overwatch
![]() |
Overwatchが採用するゲームエンジンはBlizzardが独自に開発したもので,WindowsとPlayStation 4両対応。グラフィックスAPIとしてはDirectX 11に対応している。また,FPSプレイヤーが選ぶゲーマー向けディスプレイ市場で主流となりつつある,垂直リフレッシュレート120Hzあるいは144Hz以上に対応した製品との相性がよいのも大きな特徴となっている。
高いリフレッシュレートだとVsync有効時にも入力遅延が下がるというのはよく知られているが,Overwatchの場合はむしろそれ以上に「相手の動きが見やすくなる」というのがポイント。身体の向きや肩の挙動などから次の動きを予測しやすくなるため,Overwatchは,より高速なディスプレイと組み合わせたほうがいいのだ。
![]() |
![]() |
基本的には描画負荷の低いタイトルだけに,高いフレームレートを狙いやすいが,そんなOverwatchにおけるゲーム側のグラフィックス設定は以下のとおりとなる。項目数は多いものの,テストにあたって行っているのは,画面やフレームレートの設定を除くと,「オプション」の「グラフィック品質」から,あらかじめ用意されたプリセットを選択するだけである。
●ゲーム設定
- バージョン:最新版(Blizzard Appによる自動アップデート)
- セーブデータ:不要
・ゲーム設定:オプション−ビデオ
- ディスプレイ・モード:全画面
- 対象画面:モニター1
- 解像度:テストによる
- 視野角:103
- アスペクト比:16:9
- 垂直同期:OFF
- トリプル・バッファリング:OFF
- バッファリング軽減:OFF
- パフォーマンス統計を表示:OFF
- システムクロックを表示:OFF
- フレームレート上限を設定:カスタム
- フレームレート上限:300
- グラフィック品質:ウルトラ/NORMAL
- ガンマ補正:任意
- コントラスト:任意
- 明るさ:任意
・ゲーム設定:オプション−ビデオ−高度パフォーマンススタッツ
- フレームレートを表示:任意
- GPU温度を表示:任意
- VRAM使用量を表示:任意
- ネットワークPINGを表示:任意
- ラウンドトリップタイムを表示:OFF
- ネットワークディレイを表示:OFF
・ゲーム設定:オプション−ビデオ−詳細設定
- レンダー・スケール:100%
- テクスチャ品質:プリセットによる
- テクスチャ・フィルタリング品質:プリセットによる
- ローカル・フォグ表現:プリセットによる
- ダイナミック・リフレクション:プリセットによる
- シャドウ表現:プリセットによる
- モデル表現:プリセットによる
- エフェクト表現:プリセットによる
- ライティング品質:プリセットによる
- アンチエイリアス品質:プリセットによる
- リフラクション品質:プリセットによる
- スクリーンショットの品質:プリセットによる
- ローカル:リフレクション:プリセットによる
- アンビエント・オクルージョン:プリセットによる
・ゲーム設定:オプション−色覚サポートオプション
- 色覚サポートモード:OFF
- 色覚サポートのタイプ:任意
・ゲーム設定:オプション−サウンド
- マスター音量:任意
・SE音量:任意
・BGM音量:任意
・インゲーム・ボイス音量:任意 - ボイスチャット音量:任意
- ボイスチャットのマイク音量:任意
- バックグラウンド・サウンド:ON
- グループ・ボイスチャット:自動参加
- チーム・ボイスチャット:自動参加
- ボイスチャット・モード:プッシュ・トゥ・トーク
- ボイスチャット機器:デフォルトの機器
- ヘッドフォン用DOLBY ATMOS:OFF
Overwatchでは,「エピック」「ウルトラ」「高」「NORMAL」「低」と5つのプリセットが用意されているが,レギュレーション20世代では基本的にウルトラプリセットを利用する。最も描画負荷が大きいエピックを用いないのは,プレイヤーの大半がグラフィックスの品質よりも高いフレームレートを望んでおり,その観点から,グラフィックス品質とフレームレートのバランスでは,ウルトラが最も実用的と判断したためだ。
なお,エントリークラスのグラフィックスカードやCPUに内蔵されたグラフィックス機能をテストする場合には,ウルトラよりも描画負荷が2段階低くなるNORMALを使用する。
![]() |
![]() |
![]() |
![]() |
![]() |
![]() |
グラフィックス設定で注意しなければいけないのは,「フレームレート上限を設定」を「カスタム」に変更し,「フレームレート上限」を最大値の「300」に指定する必要がある点だ。初期状態では「フレームレート上限を設定」が「ディスプレイ依存」に設定され,Vsyncが有効になるため,テストにあたっては,スライドバーを最大まで動かして,Vsyncを明示的に無効化する必要がある。
また,ベンチマークレギュレーション21世代では,「詳細設定」にある「レンダー・スケール」をプリセットによる自動設定に任せていたが,プラットフォームが異なる比較で揃わない可能性を考慮し,22世代からは「100%」に指定するので,この点は注意してほしい。
![]() |
「実際に操作する」という不確定要素があるため,テストの1条件あたり2回連続してプレイを行い,その平均をスコアをとして採用することになる。詳細な実行手順は以下のとおりである。
●実行手順
- Frapsからベンチマーク計測時間を60秒に設定
- Overwatchを起動する
- 「オプション」の「ビデオ」からグラフィックスや解像度などのゲームのオプション設定を行う
- 「トレーニング」から「練習場」を選択
- ヒーローに「D.Va」を選ぶ
- シーンが始まり,操作可能になったらFrapsによる計測スタート
- BOTを倒しながら一定の経路を移動し,60秒経過させる
- [Esc]キーを押してプレイを中断
- 3.以降を,設定変更しながら繰り返す
![]() |
ただ,せっかくの高リフレッシュレート対応ゲーム。ハイスペックなGPUを搭載する環境では,最小で120〜144fps程度をを期待できる平均165fps以上を目指したいところだ。
なお,CPU性能は,2コア4スレッドタイプのCPUであれば十分。2コア2スレッドタイプのCPUの場合は,ざっくり1割程度パフォーマンスが低下することを覚悟しておきたい。
■PLAYERUNKNOWN'S BATTLEGROUNDS
![]() |
![]() |
デュアルGPUソリューションは,NVIDIAが「GeForce 382.53 Driver」でSLIに対応した一方,2018年11月時点でAMDは情報を開示していないので,この点は注意が必要だろう。
テストにあたってのグラフィックス設定は以下のとおり。PUBGにおけるグラフィックス設定オプションへは,メイン画面右上に見える歯車アイコンをクリックすることでアクセスできる。
ここで注意する必要があるのは,「PUBGにはVsyncに関する設定項目がない」こと。なのでテストにあたっては,「NVIDIAコントロールパネル」や「Radeon Settings」(Radeon設定)などから,Vsyncを明示的に無効化しておく必要がある。NVIDIAコントロールパネルなら「3D設定の管理」の「垂直同期」,Radeon Settingsなら「プロファイルグラフィック」の「垂直リフレッシュを待機」から,それぞれ無効化可能だ。
●ゲーム設定
- バージョン:最新版(Steamによる自動アップデート)
- セーブデータ:不要
・ゲーム設定:グラフィック−言語
- 言語設定:日本語
・ゲーム設定:グラフィック−画面
- 画面モード:フルスクリーン
- 解像度:テストによる
・ゲーム設定:グラフィック−色
- 輝度:任意
・ゲーム設定:グラフィック−クオリティー
- クオリティー:高/低
- 画面スケール:100
- アンチエイリアシング:プリセットによる
- ポストプロセス:プリセットによる
- 影:プリセットによる
- テクスチャ:プリセットによる
- 効果:プリセットによる
- 植生:プリセットによる
- 距離を表示:プリセットによる
- モーションブラー:プリセットによる
・ゲーム設定:サウンド
- サウンド
・マスター:任意(ボリュームも任意)
・効果音:任意(ボリュームも任意)
・UI:任意(ボリュームも任意)
・BGM:任意(ボリュームも任意) - 音声
・音声:任意
・音声チャネル:任意
「クオリティー」以下にある5つのグラフィックス設定プリセット「ウルトラ」「高」「中間」「低」「非常に低」から選ぶだけである。
事前に検証した限り,PUBGの描画負荷は相応に大きい。またユーザーのほとんどが描画品質よりもフレームレートの高さを重視する傾向にあることから,レギュレーション20世代では高プリセットをメインにテストを行っていく。もっとも,エントリークラスのグラフィックスカードや,統合型グラフィックス機能をテストする場合には,必要に応じて低プリセットも利用し,その場合は記事内で断ることになるだろう。
![]() |
![]() |
| 高プリセット選択時の自動設定内容 | |
![]() |
![]() |
| 低プリセット選択時の自動設定内容 | |
![]() |
そこでレギュレーション22.1では,新たに追加となった「トレーニングモード」を使うことにする。トレーニングモードは,さまざまな武器のエイムやビークルのドライビングを練習するためのもので,専用のマップで毎回同じ場所からスタートするため「ベンチマークを始めるために移動する」必要がなく,ほかのプレイヤーに撃たれても倒される心配がないからだ。
テストではスタート地点の東側にある射撃練習場を周回することにした。事前検証で,この射撃練習場周辺の描画負荷が最も高く,テスト結果も(参加しているプレイヤー数によって多少ブレるものの)十分に信用できる安定性があると判断したためである。
実際に操作を行う都合上,グラフィックス設定条件あたり2回テストを行って,その平均をスコアとして採用する。テストにあたっては,テスト開始ポイントへ毎回移動する必要がある点は注意してほしい。
以上を踏まえた実行手順は以下のとおりとなる。
●実行手順
- Frapsからベンチマーク計測時間を60秒に設定
- PUBGを起動する
- グラフィックスや解像度などゲームのオプション設定を行う
- [TRAINING]をクリックし,トレーニングモードを始める
- トレーニングモードが始まったら,スタート地点から北を向く
- Frapsによる計測をスタート
- 60秒間,プレイヤーキャラクターを真っすぐ東に移動させる
- 5.〜7.を再度実行
- [Esc]キーを押して「設定」を選び,解像度を変更しながら,4.〜8.を繰り返す
![]() |
一方,ハイクラスのグラフィックスカードなら最小120fps以上……と言いたいところだが,前述したようにPUBGは描画負荷がかなり高いため,あまり現実的ではない。そのため現時点では,比較的高いフレームレートが稼げる目安として,最小フレームレート80fps以上,平均フレームレートでは100fps以上を合格ラインとしておきたい。このあたりはレギュレーション20.0〜22.0と変わらずだ。
ちなみにCPUは,今日(こんにち)的な動作クロックのクアッドコアモデルであれば,その性能が全体の足を引っ張ることはないと考えていい。デュアルコアCPUの場合,2コア4スレッド対応モデルならスコアの低下は見られない一方,2コア2スレッド対応モデルだとベンチマークスコアは最大で約1割弱低下する。
■Fortnite
![]() |
ゲームエンジンにEpic Gamesが提供している「Unreal Engine 4」を採用することで,PCだけでなく,Play Station 4やXbox One,Nintendo Switch,Android,iOS,macOSと非常に多くのプラットフォームをサポートしているが,レギュレーション22で扱うのはもちろんPC版となる。PC版はDirectX 11(Direct3D 11)に対応する一方で,NVIDIAおよびAMDのマルチGPUソリューションには対応しない。
![]() |
![]() |
さて,そんなFortniteをベンチマークレギュレーションで採用するにあたって,今回は以下に挙げるグラフィックス設定を選択することとした。基本的には「品質」のプリセットを切り換えているだけだが,いくつか追加指定した部分がある点は注意してもらえればと思う。
●ゲーム設定
- バージョン:最新版(Epic Games Launcherによる自動アップデート)
- セーブデータ:不要
・ゲーム設定:画面
- ウィンドウモード:フルスクリーン
- 画面解像度:テストによる
- 最大フレームレート:無制限
- 品質:エピック/中
- 3D解像度:100%
- 描画距離:プリセットによる
- 影:プリセットによる
- アンチエイリアス:プリセットによる
- テクスチャ:プリセットによる
- エフェクト:プリセットによる
- ポストプロセス:プリセットによる
- Vsync:オフ
- モーションブラー:オフ
- FPSの表示:オフ
・設定:オーディオ−ボリューム
- BGMの音量:任意
- 効果音の音量:任意
- ボイスチャットの音量:任意
- ムービーの音量:任意
・設定:オーディオ−切り替える
- 字幕:オン
- 優良:高
- ボイスチャット:オン
- プッシュトゥトーク:オン
- ボイスチャットの入力デバイス:Default
- ボイスチャットの出力デバイス:Default
- バックグラウンド時の音声:オフ
Fortniteで選択できるグラフィックス設定のプリセットは「エピック」「高」「中」「低」「オート」の5つ。選択すると,その下にある個別項目のうち,「Vsync」「モーションブラー」「FPSの表示」を除く5項目が切り替わる仕様だ。
Fortniteの描画負荷は決して高くないが,垂直リフレッシュレート120Hz超級のディスプレイへ対応することを考えると,エピックプリセットはハイクラス以上のGPUにとって十分な負荷を与えてくれることから,レギュレーション22世代では基本的にエピックを使うことになる。
エントリー市場向けGPUやAPUなどのテストを用いるときに限り中プリセットも用い,その場合は本文中で明記する。
![]() |
![]() |
グラフィックス設定で注意しないといけないのは,Vsyncを「オフ」にすることはもちろんだが,最大フレームレートを「無制限」に変更することだ。Fortniteでは,最大フレームレートの上限を30
3D解像度は「デスクトップ解像度に対して何パーセントの解像度でレンダリングするか」を指定する項目で,100%より低い値にすると拡大表示になってしまうため,ここは必ず100%にする必要がある。
もう1つ,ベンチマークとは別の理由,具体的には「ゲームプレイにおいては不要で,有効化すると,ボカシ処理が画面内の情報量を減らしてしまうことから,多くのプレイヤーが無効化している」という理由からオフにしているのがモーションブラーだ。ゲームプレイでの快適性を測る目的から,ベンチマークレギュレーション22世代ではモーションブラーをオフにしているわけだ。そのため,ベンチマーク記事中は「エピック+」と書いて「エピックそのままではない」ことを示す。
さて,実際のテストだが,Fortniteにはベンチマークモードがない。そこで実際にゲームに参加し,「ウェイリング・ウッズ」に下り立ってオブジェクトを壊しながら進み,その間の平均フレームレートと最小フレームレートを取得することにした。
ゲーム最終盤で建物が乱立するタイミングこそ最も描画負荷が高いのではと思う人も多いだろう。ただ,事前のテストで,最終盤の負荷はゲーム状況によって異なることと,ウェイリング・ウッズ内こそ最も安定して描画負荷が高くなることを確認できたので,「快適にプレイできるか」を検証するのに十分なスコアが得られると判断した次第である。
![]() |
具体的には,当該テストの最初に1度プレイして,そのリプレイを繰り返し再生しながら1分間のスコアを取得する。リプレイデータは,ゲームにパッチが適用されるたびに利用できなくなるため,テストを行うタイミングで毎回1度プレイしてリプレイデータを作成するというわけだ。
リプレイの再生中,カメラには一切手を付けず,デフォルトのままとする。また,スコアには若干のバラつきが見られたため,グラフィックス設定条件あたり2回テストして,平均をスコアとして採用する。
これらを踏まえたうえで実行手順をまとめると,以下のとおりとなる。
●実行手順
- Frapsからベンチマーク計測時間を60秒に設定
- Fortniteを起動する
- グラフィックスや解像度などゲームのオプション設定を行う
- [プレイ]ボタンをクリックしてゲームを始める
- マッチングが終了してゲームが始まったら,ウェイリング・ウッズに最も近い場所で飛び降りる
- ウェイリング・ウッズでオブジェクトを壊しながら進む
- 1分以上進んだらマッチを離脱しロビーに戻る
- 「キャリア」の[リプレイ]から先ほどプレイしたリプレイデータを選択
- ウェイリング・ウッズの直前のテスト開始ポイントまでリプレイを進める
- テスト開始ポイントに着いたらFrapsによる計測をスタート
- 9.〜10.を再度実行
- [Esc]キーを押して,解像度を変更しながら,9.〜10.を繰り返す
快適にプレイするための最小フレームレートは60fpsがほぼ必須。そこを実現するためには平均70fpsが合格ラインだ。
一方,垂直リフレッシュレート120Hz以上に対応するディスプレイを持つ人がディスプレイの性能を活かすためには最小フレームレート120fpsが必要になるが,そこを実現するには平均で135fpsが必要になる。ただし,事前検証だと,エピックプリセットを選択した場合,2018年8月中旬時点のハイエンドGPUを使ったとしても,解像度1920
今回,高すぎるほどのハードルを設けたのは,今後,より高性能なGPUが登場することを考慮に入れたためと理解してほしい。
なおCPU周りだとあまりマルチスレッド処理への最適化は進んでいないようで,2コア2スレッド対応のCPUでも,動作クロックさえ高ければGPUの足を引っ張ることはない。CPUのハードルはかなり低い印象だ。
■Middle-earth: Shadow of War
![]() |
ゲームエンジンはMonolith Productionが開発した「Firebird Engine」。「LithTech」というエンジン名に聞き覚えがある人にとっては,その改良版と紹介したほうがいいかもしれないが,いずれにせよ,このFirebird Engineによって,PlayStation 4 ProやXbox One Xのネイティブ4K解像度に対応したのが,グラフィックス面におけるShadow of War最大の特徴と言っていいだろう。
![]() |
![]() |
さて,そんなShadow of Warのテストにおけるグラフィックス設定は以下のとおり。「詳細」の「グラフィック品質」からプリセットを選ぶことで,各項目は一括して変更される仕組みだ。
●ゲーム設定
- バージョン:最新版(Steamによる自動アップデート)
- セーブデータ:不要
・ゲーム設定:表示
- ディスプレイモード:フルスクリーン
- スケール化された解像度:テストによる
- ビデオカード:テストによる
- ゲームの明るさ:任意
- 表示領域の設定:任意
- 垂直同期:オフ
- ダイナミック解像度:オフ
- 最大FPS:制限なし
・ゲーム設定:表示
- 自動設定:(※クリックしない)
- グラフィック品質:ウルトラ / 中
- ライティング品質:プリセットによる
- メッシュ品質:プリセットによる
- モーションブラー:プリセットによる
- アンチエイリアス:プリセットによる
- 影品質:プリセットによる
- テクスチャフィルタリング:プリセットによる
- テクスチャ品質:プリセットによる
- アンビエント・オクルージョン:プリセットによる
- 草木の範囲:プリセットによる
- 被写界深度:プリセットによる
- テッセレーション:プリセットによる
- 高解像度ミップマップ先行ロード:オフ
- ラージページモード:オフ
・ゲーム設定:サウンド
- サウンド環境:ステレオ
- 主音量:任意
- 効果音:任意
- 会話:任意
- BGM:任意
- 字幕:オフ
- 音声言語:任意
- 表示言語:任意
選択できるプリセットは「ウルトラ」「とても高い」「高」「中」「低」「最低」の6つ。レギュレーション21世代では,描画負荷が大きくなるよう,最も描画設定が高い「ウルトラ」をメインに採用する。ただし,エントリークラスのGPUなど,ウルトラプリセットでは描画負荷が大きすぎると判断した場合には「中」を使用することもある。
![]() |
![]() |
![]() |
![]() |
「表示」設定以下にある「ダイナミック解像度」は指定したフレームレートになるようにレンダリング解像度を自動で調整する機能なので,テストを行うときには本項目を「オフ」にすることを忘れないでおきたい。
また,「詳細」設定の一番上にある「自動設定」をクリックすると,システムのスペックに合わせてグラフィックス設定を最適化するシステムが動いてしまうので,こちらもテストに当たっては触れないよう注意したいところだ。
![]() |
![]() |
ベンチマークモードのデモシークエンスは,砦から洞窟,そして森を抜けて城へと向かうFlybyになっており,テスト中は画面上部でフレームレートや総フレームタイムなどをリアルタイムで確認できる。そして,最後に各項目の最大値と最小値,平均値が表示されたら,平均および最小フレームレートを控え,もう一度実行して2回の平均をスコアとして採用するという流れだ。
具体的な実行手順は以下のとおりとなる。
●実行手順
- Shadow of Warを起動
- 「表示」にある「垂直同期」と「ダイナミック解像度」を「オフ」に設定
- 「表示」にある「最大FPS」を「制限なし」に設定
- 「スケール化された解像度」で解像度を設定
- 「詳細」の「グラフィック品質」でプリセットを選択
- 「詳細」の「ベンチマーク開始」をクリックしてベンチマークを実行
- ベンチマーク終了後に表示される平均フレームレートと最小フレームレートを記録する
- 6.〜7.を再実行。2回実行し,その平均をスコアとして採用する
- 4.以降を,解像度などを変更しながら繰り返す
![]() |
そのため,平均フレームレートに対して最小フレームレートは低くなる傾向にあり,両者に比例的な関係はない。それを踏まえて,快適にプレイできるラインは,平均フレームレートではなく,最小フレームレートで30fps以上とした。
なお,Shadow of Warは2コア4スレッド対応ならCPU性能的に十分で,それ以上は物理コア数や対応スレッド数を上げてもベンチマークスコアへの影響がほとんどない。一方,2コア2スレッド対応のCPUだと,平均フレームレートはあまり変わらないものの,最小フレームレートは2コア4スレッド対応のCPUに比べて半分近くまで低下する。つまり,2コア2スレッド対応のCPUでは大きなフレームレートの落ち込みが発生するというわけだ。
■ファイナルファンタジーXIV: 紅蓮のリベレーター
![]() |
![]() |
![]() |
![]() |
ちなみにFFXIV紅蓮のリベレーター ベンチでは,水面の反射がキャラクターなどに映り込むエフェクトである「照り返しの表現」が設定項目として加わった。また,対応OSは64bit版Windows 10・8.1・7のみ,グラフィックスAPIもDirectX 11のみといった具合に,従来から変更が入っている。
そんなFFXIV紅蓮のリベレーター ベンチを使ってテストをするにあたってのグラフィックス設定は以下のとおりとなる。
●ゲーム設定
・グラフィック設定:グラフィック設定1- グラフィック設定プリセット:最高品質/標準品質(デスクトップPC)/標準品質(ノートPC)
- 描画設定−水濡れ表現を有効にする:プリセットによる
- 描画設定−オクルージョンカリングを有効にする(見えないものの描画を簡略化する):プリセットによる
- 描画設定−LODを有効にする:プリセットによる
・グラフィック設定2
- 描画設定−リアルタイムリフレクション:プリセットによる
- 描画設定−アンチエイリアス:プリセットによる
- 描画設定−ライティングの品質:プリセットによる
- 描画設定−細かい草の表示量:プリセットによる
・グラフィック設定3
- 描画設定−背景の細かい凹凸表現:プリセットによる
- 描画設定−水面の凹凸表現:プリセットによる
- 描画設定−照り返しの表現:プリセットによる
- 影の表示設定−自分:プリセットによる
- 影の表示設定−他人:プリセットによる
- 影の表現−キャラクターの影のLODを有効にする:プリセットによる
- 影の表現−影の解像度:プリセットによる
- 影の表現−影の表示距離:プリセットによる
- 影の表現−ソフトシャドウ:プリセットによる
・グラフィック設定4
- テクスチャ品質−テクスチャフィルタ:プリセットによる
- テクスチャ品質−テクスチャ異方性フィルタ:プリセットによる
- 揺れの表現−自分:プリセットによる
- 揺れの表現−他人:プリセットによる
・グラフィック設定4
- 画面効果−周辺減光を有効にする(画面の隅を自然に暗くする効果):プリセットによる
- 画面効果−放射ブラーを有効にする(爆発などで周囲に向かって画面をぼかす効果):プリセットによる
- 画面効果−SSAO(立体感を強調する効果):プリセットによる
- 画面効果−グレア(光があふれる表現):プリセットによる
- カットシーン効果−被写界深度表現を有効にする:プリセットによる
・ディスプレイ設定
- 画面設定−メインディスプレイ選択:テストによる
- 画面設定−スクリーンモード設定:フルスクリーンモード
- 解像度設定−画面解像度プリセット:テストによる
- ガンマ補正:任意
・サウンド設定
- サウンド全般設定−アプリケーションが非アクティブでもサウンドを再生する:任意
- 音量調整−マスターボリューム:任意
- 音量調整−BGM:任意
- 音量調整−効果音:任意
- 音量調整−ボイス:任意
- 音量調整−システム音:任意
- 音量調整−環境音:任意
従来同様,FFXIV紅蓮のリベレーター ベンチも,「グラフィック設定プリセット」でプリセットを選択すれば,各設定項目はそれに合わせて変更される。プリセット以外は,「ディスプレイ設定」以下を確認する程度という理解でいい。
選択するプリセットは基本的に,最も高い画質を期待できる「最高品質」だ。だが,CPU統合型のグラフィックス機能やノートPCのテストでは,デスクトップPCとノートPCで仔細が若干異なる「標準品質」を選択する場合もあるだろう。その場合はどのプリセットを選択したか本文で明記することになる。
![]() |
![]() |
![]() |
![]() |
![]() |
![]() |
![]() |
![]() |
残念ながら最小フレームレートは確認できないため,それだけはFrapsから取得する格好だ。
それらを踏まえたテスト方法は以下のとおりとなる。
●実行手順
- ベンチマークソフトを起動する
- 「設定変更」を選択し,設定変更画面へと移行する
- 「グラフィック設定1」タブのグラフィック設定プリセットを適宜選択する
- 「ディスプレイ設定」タブの「画面解像度プリセット」から解像度を選択
- [OK]ボタンをクリックし,メニューへと戻る
- [スタート]ボタンをクリックし,ベンチマークテストを実行
- ベンチマークの実行と同時にFrapsによる計測をスタート
- リザルト画面でFrapsによる計測を停止する
- テスト終了後に表示されるスコアを記録する
- 「レポート出力」をクリックし,平均フレームレートを記録する
- Frapsの出力ファイルから最小フレームレートを記録する
- 2.以降を,グラフィック設定プリセットと解像度を変更しながら繰り返す
スコアの見方だが,スクウェア・エニックスは以下のような指標を示している。
- 7000以上:非常に快適
- 5000〜6999:とても快適
- 3500〜4999:快適
- 2500〜3499:やや快適
- 2000〜2499:普通
- 1500〜1999:設定変更を推奨
- 1000〜1499:設定変更が必要
- 999以下:動作困難
![]() |
それを踏まえたひとまずの合格点は,スクウェア・エニックスの指標どおりのスコア7000とするが,ハイエンド環境では平均60fps以上を狙えるスコア8500以上を目標にしたいところである。
組み合わせるCPUのほうだと,4コア8スレッド対応モデルまでは,対応できるスレッド数に応じてスコアが伸びていく。逆に2コア2スレッドでは4コア8スレッドに対してスコアは3割ほど低下する。「8スレッドまでなら,スレッド数がスコアを左右する」点はFFXIV紅蓮のリベレーター ベンチの特徴と言っていいだろう。
■Project CARS 2
![]() |
Project CARS 2は,Slightly Mad Studiosが手掛けるドライブシムで,リアリティの高い映像やクルマの挙動が好評を博している。ゲームエンジンは,前作「Project CARS」と同じく「Madness Engine」で,4K解像度やVRに対応するほか,物理エンジン「LiveTrack 3.0」との連係により,新たに路面や天候の逐次変化を実現したのがトピックだ。
なお,NVIDIAのSLIは「GeForce 385.69 Driver」以降,AMDのマルチGPUは「Radeon Software Crimson ReLive Edition 17.9.2」以降でそれぞれ対応を果たしている。
![]() |
![]() |
そんなProject CARS 2におけるグラフィックス設定は以下のとおり。前作同様,描画設定プロファイルが用意されていないため,細かく設定することになる点は注意してほしい。
●ゲーム設定
- バージョン:最新版(Steamによる自動アップデート)
- セーブデータ:4Gamerオリジナル
- セーブデータの保存先:C:\Users\ユーザー名\Documents\Project CARS 2\savegame\25499938\project cars 2\media(※Windows 10のデフォルト設定時)
・ゲーム設定:オプション−視覚エフェクト
- ポストプロセスフィルタ:オン
- 外装のレンズフレア:フル
- 内装のレンズフレア:控えめ
- ブルーム効果:オン
- かげろう:オフ
- 露出補正:1.00
- 雨粒:いいえ
- 口径食:はい
- 薄明光線:はい
- 画面の汚れ:いいえ
- コクピットミラー:オン
・ゲーム設定:オプション−パフォーマンス
- 解像度:テストによる
- ウィンドウモード:いいえ
- テクスチャフィルタリング:アニソトロピック 16倍/アニソトロピック 4倍
- 垂直同期:いいえ
- マルチサンプリング:高/中
- ポストプロセス:Off(※グレーアウト)
- スーパーサンプリング(※グレーアウト)
- 反射:ウルトラ/低
- 環境マップ:ウルトラ/中
- 車両のディテール:ウルトラ/中
- コースのディテール:ウルトラ/中
- ピットクルー詳細:すべて
- 影のディテール:ウルトラ/中
- 強化ミラー:はい/いいえ
- モーションブラー:高/低
- 先行フレームレンダリング:4/2
- 草の描画:高
- パーティクルレベル:高
- パーティクル密度:ウルトラ
・ゲーム設定:オプション−カメラ−視界
- バンパーカメラ:70
- フードカメラ:70
- ルーフカメラ:70
- チェイスカメラ:70
- コックピットカメラ:70
- ヘルメットカメラ:70
- 後部座席カメラ:96
- 被写界深度の速度に対する感度:いいえ
- 最低体感速度:95(※グレーアウト)
- 最高体感速度:115(※グレーアウト)
- 最低視界変化速度:60(※グレーアウト)
- 最高視界変化速度:170
・ゲーム設定:オプション−カメラ−移動
- 高速振動:オフ
- 風景の動き:50
- 重力効果:50
- ヘルメットを表示:はい
- ヘルメット・被写界深度:はい
- ヘルメット・エイペックスビュー:50
- ヘルメットの傾き:75
- カメラの傾き:75
・ゲーム設定:オプション−音量
- マスター音量:任意
- メニュー音量:任意
- メニューBGM音量:任意
- プレイヤーエンジン音量:任意
- 対戦相手エンジン音量:任意
- 車両音量全般:任意
- タイヤ音量:任意
- 衝突音量:任意
- ロードノイズ音量:任意
- 環境音量:任意
- 効果音音量:任意
- ピット無線音量:任意
- ヘッドホンのミキシングを有効化:オフ
- LFEの音量:任意
- オーディオデバイス:任意
以上,設定項目は大量にあるのだが,基本的には「オプション−パフォーマンス」における全項目について,可能な限り最も高い設定を適用するというイメージでいい。4Gamerではこれを「高負荷設定」と呼ぶ。
ただ,エントリークラスのGPUやAPUなどのテストを行う場合,高負荷設定では描画負荷が高すぎるケースがある。そのため,比較的描画負荷の低い設定も「低負荷設定」として用意した次第だ。いずれにせよ,搭載するGPUによってインストール直後のデフォルト設定が異なる可能性は否定できないので,設定を間違えないよう,毎回の目視確認は必要だろう。
なお,グラフィックス設定を変更した場合,ゲームの再起動が必要となる。
![]() |
![]() |
![]() |
![]() |
![]() |
事前にテストした限り,フレームレートのブレはさほど大きくなかったため,ここでは2回の平均値をスコアとして採用する。
なお,テスト時間が120秒なのは,当該リプレイだと途中から天候が晴れから雨に変わるのだが,60秒だと雨の時間が短くなってしまうためだ。
これらを踏まえた実行手順は下記のとおりとなる。
●実行手順
- Frapsからベンチマーク計測時間を120秒に設定
- Project CARS 2を起動
- 「オプション−パフォーマンス」以下にある「テクスチャフィルタリング」などグラフィックス設定を変更
- 「オプション−パフォーマンス」以下にある「解像度」を設定
- Project CARS 2を再起動する
- 「プロフィール」から「映像」を選択
- リプレイデータの中から「Watkins Glen International(GPコース) Lamborghini Huracan LP620-2 Super Trofeo」を選択
- リプレイ開始と同時にFrapsによる計測をスタート
- 120秒経過するのを待つ
- 「再生操作」インタフェースからリプレイデータの冒頭に戻る
- 8.〜9.を再度実行。2回の平均をスコアとする
- [Esc]キーを押してリプレイを終了
- 4.以降を,設定を変更しながら繰り返す
![]() |
それを踏まえたうえで,プレイアブルなフレームレートとして,最小30fpsをクリアできる平均50fpsが合格ラインとなる。ハイエンド環境の場合は,最小40fpsを期待できる平均60fpsが目標となる。
ちなみに,CPUは物理コア数が4以上であれば,いくら物理コア数と論理コア数が増えてもスコアに影響はない。その一方で,2コア4スレッドのCPUだと,4コア4スレッドのCPUからスコアが7%ほど低下し,2コア2スレッドのCPUでは25%ものスコアの低下が見られた。
■コラム:OCATおよびFrapsの使い方
4Gamerでは長らく,ベンチマークモードを持たないゲームタイトルのテストにあたって,「Fraps」によるフレームレート計測を行ってきた。だが,DirectX 12(Direct3D 12)やVulkanといった,新世代のグラフィックスAPIを採用するタイトルに対しては,Frapsを利用することができない。
そこで4Gamerでは,DirectX 12やVulkanベースのタイトルをテストするにあたっては,Frapsに代わり,オープンソースのGPU対応アプリケーション開発支援フレームワークとしてAMDが提唱する「GPUOpen」から登場した「OCAT」(Open Capture Analystics Tool)を用いる。こちらはDirectX 12やVulkanのベンチマークに特化したツールだからだ。
OCATのメインウインドウ
OCATの入手法およびインストール方法は2016年12月12日の記事を参照してほしいと思うが,フレームレート計測前にOCATを起動して,「Recording Time Period in Seconds」に計測時間を秒単位で入力する。デフォルトは60なので,1分間の測定であれば変更する必要はない。
また,デフォルトのままで大丈夫だが,「Write performance summary」にチェックが入っていないと,平均フレームレートがログファイルに記録されないので,チェックが入っているかどうかは確かめておいたほうがいいだろう。
フレームレート計測を実行するには,まずOCAT上で右下の[Start]をクリック。その状態で計測対象のゲームを起動する。すると,ゲーム画面の右上にフレームレートとフレーム時間がリアルタイムで表示されるようになる。中には表示されないゲームもあるのだが,その場合でもOCATは動作しているので計測には問題はない。
あとは適切なタイミングで[F11]キーを押せば,フレームレートの計測が始まるという流れだ。
なお,この計測開始のホットキーはOCATメニューの「Recording Hotkey」から変更できる。
さて,設定した時間が経過すると計測が終了し,画面右上に計測結果――「平均フレームレート」「平均フレームタイム」「フレームタイムの99%パーセンタイル値」の3つ――が表示される。ただ,フレームタイムのリアルタイム表示が行われないゲームでは計測結果も表示されないので,「C:\ユーザー\(ユーザー名)\ドキュメント\OCAT\Recordings」に書き出されるcsv形式の概要データファイルを参照する必要がある。
こちらはFrapsのメインウインドウ
テストを繰り返すと,概要データファイルに結果が次々と書き足されていくので,結果が上書きされるようなことはない。
一方,DirectX 11やDirectX 9といったゲームでは,これまでと同様にFrapsを用いてフレームレートの計測を行う。
Frapsは,DirectX/OpenGLで動作するアプリケーション向けのキャプチャソフトだ。フルバージョンは29.95ドルするシェアウェアで,4Gamerではボリュームライセンスを取得して利用しているが,開発元であるbeepaのWebサイトからダウンロードできる無料の体験版でも,フレームレートの計測は行える(※キャプチャ周りには制限が入る)。
インストールしたら,フレームレートの計測前にFrapsを起動。メインウィンドウが起動するので,「FPS」タブを選び,「Stop Benchmark automatically after」直後にある入力ボックスに,秒単位で数値を入力する。例えばレギュレーション6.0準拠でCall of Duty 4のベンチマークテストを行うなら,「60」と入力すればいい。
続いて「MinMaxAvg」にチェックを入れ,最少/最大/平均フレームレートがログに書き出されるようにしておく。
フレームレート計測を実行するには,まず,Frapsを最小化して,その状態で計測対象のゲームを起動する。すると,画面の隅に黄色の数値が表示されるはずだが,それがリアルタイムで計測されるフレームレートだ。あとはリプレイを再生し,適切なタイミングでフレームレート計測開始のホットキー(標準では[F11]だが,FPSタブの「Benchmarking Hotkey」で変更可能)を実行すればいい。
ベンチマーク計測中はリアルタイムのフレームレート表示が消え,設定した時間が経過すると計測が終了して,再びフレームレートが表示されるようになる。なお,ログファイルはFrapsをインストールしたフォルダ以下,「\benchmarks」の中に保存されるようになっており,上書きされることはない。
CPU性能検証
CPU性能検証方法は,レギュレーション23世代以降で確定させる予定だ。それまでの間,テスト方法は記事ごとに言及,解説することになる。
GPU&CPU消費電力検証
レギュレーション19世代までの4Gamerは,ログの取得可能なワットチェッカー「Watts up? PRO」を使ってシステム全体の消費電力を記録し,各アプリケーションベンチマーク実行時の最大値をスコアとして採用してきた。システム全体の消費電力は,テスト対象のGPUやCPUを搭載したPCそのものにおける消費電力の目安を知ることができるという意味で価値あるデータと言えるため,PC製品の消費電力計測には今後もWatts up? PROを使い続けたいと考えている。
ただ,言うまでもないことだが,Watts up? PROで計測した消費電力値は,グラフィックスカード単体,あるいはCPU単体の消費電力値ではない。記事でテスト対象となる「主役」がGPUやグラフィックスカード(以下,便宜的にGPUと表記),あるいはCPUである場合,Watts up? PROを用いても,それらの消費電力は間接的にしか窺うことができないのが難点だ。
そこで4Gamerでは,可能な限りGPUもしくはCPUそのものに近いスコアを取ろうと,いろいろ試行錯誤を重ねてきた。以下,その結果としての電力計測方法をお伝えしたい。
■GPU消費電力計測
4Gamer読者には説明するまでもないだろうが,ミドルクラス市場もしくはそれより上の市場をターゲットとするグラフィックスカードは,PCI Express(以下,PCIe)補助電源により電力を賄(まかな)っている。
ただし,PCIeカードスロット経由でもPCIe Gen.3のx16カードの場合,最大75.9Wの電力供給を受けられる仕様なので,そちらを無視するわけにはいかない。またそもそも,エントリークラス以下のグラフィックスカードだとPCIe補助電源コネクタを持たないことのほうが多かったりもする。
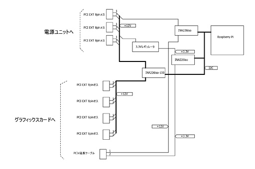
そこで4Gamerで用意したのが,オリジナルの計測ツール「4Gamer GPU Power Checker」である。
その制作方法はレギュレーション20.0で詳しく紹介しているが,簡単にまとめておくと,PCIeリンクの+3.3Vと+12V,そしてPCIe拡張電源の+12Vそれぞれの電源ラインにストロベリーリナックスが販売している電流計測モジュールINA226isoシリーズを入れて,各電源の電流および電圧を測定し,そのデータからGPUの生の総合消費電力を調べるというものだ。
![]() |
![]() |
![]() |
![]() |
INA226isoシリーズのデータ記録用には「Raspberry Pi」(model B+)を用意し,ボタン1つで計測開始・終了を行えるファームウェアを作成して組み合わせた。そのうえで,「INA226isoシリーズとRaspberry Pi model B+を1つのボックスに収めたシステム」を以下のとおり作成している。
そして,最終的にThermaltake製のオープンフレーム型PCケース「Core P3」と組み合わせてできあがったのが,「4Gamer GPU Power Checker Version 1」(以下,4GPCバージョン1)である。その下に示したのは,結線の概略なので,興味のある人は合わせてチェックしてほしい。
![]() |
![]() |
![]() |
1つは,「グラフィックスカードの動作が不安定になる」というもので,一部のグラフィックスカードを使ったとき,GPUに負荷がかかるとOSごと落ちてしまうという症状が出てきた。
もう1つは,改造のしやすさを優先してPCIe延長ケーブルに安価なものを使った結果として,コネクタとケーブルの接合部が脆弱で,抜き差しを繰り返すとあっけなく断線してしまうというものだ。
![]() |
![]() |
TT 300mmは高密度ケーブルを使っているため,安価な製品のように「ケーブルの途中を切って引き出す」ことは不可能に近い。改造できる唯一の場所は,PCIeコネクタメス側の端子がむき出しになっている部分だけだ。PCIeコネクタメスの電源部分の端子のみ基板から引き剥がして浮かせ,そこに4Gamer GPU Power Checker本体からの12Vと3.3Vを接続する流れである。
![]() |
もう1つ,PCIeリンクの電源供給もGPUの動作不安定の原因になりうるので,対策する必要がある。というのも,4Gamer GPU Power Checker側から+3.3Vと+12Vを供給する都合上,ケーブルの引き回しが長くなってしまうからだ。
つまり線路のインダクタンス(≒コイルの成分)がかなり大きいということだが,その場合,激しい電流の変動が生じたとき,安定した電圧の供給を行えない可能性が出て来る。そこで,今回から+3.3V側に4.7μF,+12V側に47μFを入れインダクタンス分の補償を計ることにした。
![]() |
![]() |
4GPCバージョン1.1と1.0の違いはPCIe延長ケーブルのみだ。
![]() |
■CPU消費電力計測方法
CPUの消費電力そのものに近い値としては,電源ユニットから(マザーボードを経て)CPUへ供給されるEPS12Vの電流値を計測することにした。EPS12VはCPU専用の電源供給インタフェースである。
![]() |
マザーボードによっては,EPS12Vが2系統あったりするが,もちろん,その場合はすべてのEPS12Vの+12Vラインをクランプして測定することになる。
![]() |
![]() |
![]() |
| PC20 |
![]() |
| KB-USB20 |
また,PC20は別売りオプションのUSB接続アダプター「KB-USB20」を取り付けてPCに接続することにより,PC側で測定値を確認したり,測定値のログを取ったりできるようになる。EPS12Vの電流測定にあたっては,時間変化を記録する必要があるため,今回はCL33DCにKB-USB20を組み合わせることとしている。
なお,PC20から送られてくる測定値を記録するPC用ソフトウェアには三和製の純正品もあるのだが,4Gamerではこの分野で実績を持つフリーソフトウェア「TsDMMViewer」を使うことにした。
TsDMMViewerは,PCに接続できるテスターのデータロガーとして古くから使われており,PC20以外にもさまざまなテスターに対応しているため,将来,仮に機材を変えても利用し続けられるであろうと判断した次第だ。
![]() |
どのようなデータが取れるのか,「EPS12VをクランプしたCL33DCの出力」をPC20で測定し,TsDMMViewerから見た例を掲載しておこう。
下のグラフは,「CINEBENCH R15.038」を実行したときに測定できた電流値に12を掛けてワット換算したもので,ピーク時の電流量は6.83Aだったため,ピーク消費電力は81.96Wということになる。
1つ注意すべき点としては,「測定誤差はデジタルマルチメーターの確度とクランプ式電流センサーの精度に依存する」というのが挙げられよう。
大まかな計算では,仮に6Aの電流が測定されたとき±0.32A程度だ。「ワット換算で±4W弱程度の測定誤差はある」ことを織り込んだうえで,レギュレーション20世代以降の測定値やグラフは見てもらえればと思う。
![]() |
以上のような方法でEPS12Vの電流を測定するわけだが,電流値では直感的に分かりにくいだろうということで,スコアとしては「測定された電流値に12を掛けてワット換算したもの」を採用することにした。
ベンチマーク実行時に記録した最大の電流値に12をかけた値を,そのベンチマークタイトルにおける「CPUの最大消費電力」とし,30分間放置した後の最小電流値に12を掛けた値を「CPUのアイドル時における消費電力」として採用するわけだ。また,必要に応じて,ログを基に消費電力推移のグラフを掲載することもある。
なお,EPS12Vの消費電力はおおよそCPU単体の消費電力に相当するが,マザーボードが搭載する電源部の変換効率による影響を受けるため,「100%完全なCPUそのものの消費電力」ではない。あくまでも「CPU単体の消費電力の目安となるスコア」である。
掲載してあるテスト方法は誤りを含んでいる場合があり,予告なく修正されることがあります。また,リプレイデータを公開する場合,それは,4Gamerの読者が実際にベンチマークテストを行うに当たっての利便性を図るためだけに提供されるものですが,出典を明示し,かつ4Gamerへのリンクを明示的に張る場合に限り,商用/非商用媒体で利用できるものとします。
なお,本稿で紹介しているテスト方法やテスト機材を利用した結果,OSあるいはPC本体,その周辺機器などといったハードウェアに不具合が生じても,筆者および4Gamer編集部,Aetas株式会社は一切その責任を負いません。
- 関連タイトル:
ベンチマーク - この記事のURL:

















































































































