インタビュー
タイトーサウンドかく発祥せり。「スペースインベーダー インヴィンシブルコレクション」発売を記念し亀井道行氏&今村善雄氏にインタビュー
![]() |
「スペースインベーダー」といえば,ゲーム自体はもちろん,サウンドの意義や魅力も,これまでに幾度となく語られてきたゲームだ。しかし,「スペースインベーダー」が,そもそもタイトーという会社にとって,どのような位置づけにあり,後の時代のZUNTATAサウンドにどのような影響を与えたのかは,いまだ正確には知られていない。
そういった部分を改めて解き明かすべく,「スペースインベーダー」サウンドの生みの親である亀井道行氏と,タイトーのサウンド開発部門(後のZUNTATA)の初代責任者である今村善雄氏に,当時の制作事情をソフトとハードの両面からうかがってきた。現ZUNTATAの石川勝久氏と土屋昇平氏にも同席いただいた,過去と現代をつなぐ形でのインタビューをお届けしよう。
![]() |
※このインタビューは3月前半に実施したもの。
※本文中は一部,筆者調べの内容を含む。
黎明期を飾る「スーパースピードレース」のファンファーレ
4Gamer:
亀井さんは1976年にご入社とのことですが,最初に手がけた作品が何だったのかご記憶にありますでしょうか。
亀井道行氏(以下,亀井氏):
何だったっけなあ……。「ラッキーダイス」(1976年リリース, メダルゲーム)とか「ブロック」(1977年8月リリース)は憶えている。「フィスコ400」(1977年4月リリース)はどうだったかな?
今村善雄氏(以下,今村氏):
「ガンマン」(1977年10月リリース)は間違いなく亀井さんがやってるよ。
4Gamer:
具体的な仕事内容がご記憶にあるタイトルとしては?
亀井氏:
「スーパースピードレース」(1977年12月リリース)ですね。「ゴール時にファンファーレを鳴らして豪華にしたい」っていうことになったんですけど,僕は譜面が分からないので,年上の後輩の今村さん……いや,“今村さん”なんて言い方は当時してなかったけどね。
今村氏:
「亀ちゃん」「今ちゃん」だった(笑)。
亀井氏:
そう(笑)。で,今ちゃんに尋ねてみると「ドシラソの4音あればファンファーレはできるよ」って教えてくれたんです。
今村氏:
音数(の制約)が見えていたので,いちばん簡単で分かりやすいものをね。
![]() |
亀井氏:
当時のゲームはまだCPUを積んでいないので,一音ごとに回路を組んで,それぞれ調律というか,特定の音程になるように調整していました。音符の進行はROMに書き込んでいたんだけど,楽譜を書いたりはしていなかったよね。「そんなようなイメージで作って」っていう感じのオーダーでした(笑)。そもそも当時,企画書とか仕様書とかってあったっけ?
今村氏:
さわりくらいはあったんじゃないの?
亀井氏:
「スペースインベーダー」のときだって西角(友宏。言わずと知れた同作の開発者)さんが,4階にある自分の開発室からふらっと降りてきて,「音付けて」って言うだけだったよ(笑)。
今村氏:
そのころはまだ入社したばかりだったんですけど。新入社員はみんな,最初に図面描きをやらされるんです。開発後に資料としてファイルにまとめるための,先輩が方眼紙に書いた回路図の清書ですね。
石川勝久氏(以下,石川氏):
今村さん,最初はハードウェアの担当だったんですか。
今村氏:
そうだよ。私も亀ちゃんも,「生産技術」っていう部署にいて。
亀井氏:
今ちゃんは図面をうまく描けたようなんだけど,僕は綺麗に描けないし字も下手だから,「もういいよ,描かなくて」って言われたの(笑)。
今村氏:
それで結構早い時期から音をやっていたんでしょ?
タイトー初のサウンド担当,誕生
4Gamer:
そもそも亀井さんがサウンドを担当するようになったきっかけは何だったのでしょう。
亀井氏:
車にサイレンを付けたくて。ええと,当時は暴走族とかカミナリ族とか,そういう改造が流行っていた時代なんですよ。それで僕も赤いトランペット型のスピーカーと回路基板を買って,自分の車に付けるための回路を,昼休みに調整して鳴らしていました。それを上司が見ていて,「おまえ音作ってくれないか」って言うんです。「いや僕,音の回路なんて作ったことないですよ」「でも今やってるじゃん」と(笑)。そんな感じでやり始めたんですね。
![]() |
土屋昇平氏(以下,土屋氏):
それでやってみようってなる発想がすごい(笑)。
亀井氏:
そして図面のほうは「もういいよ」と(笑)。
今村氏:
私が入社したときはもう(サウンド)エフェクトをやってたね。
4Gamer:
そのころには,もう「サウンド担当は亀井さん」という状況になっていたわけですね。
亀井氏:
そうですね。僕1人しかいなかったですから。あと電源も僕の担当で,そっちは自分で設計からやっていたんですよ。当時の基板はものすごく電力を使うので,“トランスのお化け”みたいな「電源ボード」を作らなきゃいけなかった。
4Gamer:
そのあたりは学生時代のご専門だったのでしょうか。
亀井氏:
いえ,僕が勉強したのは無線工学で,全然関係なかったです。強いて言えば,アナログ回路を舐めた程度ですね。コンピュータにもまだ触ったことがなくて,最初に触ったのはTK-80(※)でした。だから入社後ですね。
※日本電気(NEC)が1976年8月に発売した,Intel/8080互換である同社製CPU・μCOM-80(μPD8080A)搭載のマイコントレーニングキット。
4Gamer:
シンセサイザーに触れたご経験は?
亀井氏:
ありませんでした。ずっと「何かしら音が出るものがあればいいなあ」とは思い続けていましたけど,シンセサイザーは,ZUNTATAをやるって段階になって,やっと買ってもらえたんじゃない?
今村氏:
そう。サウンドの人たちにシンセの認識を高めてもらうために,ローランドのSYSTEM-100を買ってもらったのが最初だよ。
亀井氏:
サウンドの部署にあるのを「いいなあ,僕のときは無かったんだよなあ」なんて思いながら見ていましたよ。
石川氏:
学生時代にオーディオアンプを作ったりは?
亀井氏:
ああ,アンプは好きでやっていましたね。ただ,何にしても学生時代に勉強したようなことは全然役には立っていないと思います。会社に入っていろいろな資料や本に目を通して,そこから覚えていった感じでしたね。
まだゲームが一般的でなかったころ,タイトーを志望した動機
![]() |
僕,お2人にぜひお聞きしてみたいことがあって。そもそも,なぜタイトーを志望されたんですか?
亀井氏:
何かしら物を作っている会社に入りたかったんです。特定のものを作りたいというわけじゃなくて,物づくりってこと自体が楽しくて。実際タイトーに入ってみたら,いろんな仕事があって,何でも作れた。
4Gamer:
いろいろなことを試して作れる環境だったと。
亀井氏:
ええ。音でも電源でも,なんでも没頭して作っていましたよ。ただ実は,こんなこと当時言ったらクビになっていたかもしれないけど,ゲームをするのはあんまり好きじゃなかったんです(笑)。ゲームを作って楽しむより,どちらかというと作ったゲームを楽しんでくれる人たちを見るのが好きでした。後に「電車でGO!」のコントローラを作ったときも,モチベーションはそっちでしたよ。
土屋氏:
何と言うか,相当な変わり者ですね(笑)。それに,ゲームが好きでゲーム音楽をやるような,今の若い人たちとはまったく違う。今村さんはどうでした?
今村氏:
私は大学時代,光ファイバーの研究をやっていたんですよ。
4Gamer&ZUNTATA:
ええっ!?
今村氏:
ゲームとは全然関係ないよね。どっちかと言うと理屈っぽいことをやっていたわけです。でもそればっかりやっていたからか,就職するなら堅苦しくないところがいいと思うようになって,何かしら“遊び”を商売にしているところを探したんです。もし当時ディズニーランドが日本にあったら,そっちを目指していたんじゃないかな(笑)。
あと,実家が横須賀なので,そこから通えるところがいいなと。そういう条件で探していたら,綱島のすぐ近くにタイトーがあった。それでタイトーを志望したんです。実際に入社してみたら綱島とは名ばかりで,そこからバスでどんどん遠くに連れていかれる(笑)。そこは誤算だったけどね。そんなわけで,私も別に「ゲームが作りたい」っていうわけではなかったし,やはりゲームが得意でもなかった。「スペースインベーダー」で一巡できたの,生涯で1回きりですよ(笑)。
土屋氏:
とはいえ入社してゲームや遊具を作り始めたら,やはり楽しかったと。
今村氏:
技術屋の世界で生きているから,何も無いところから何かを作るのは,そりゃもちろん楽しかった。でも,やはりゲームだけが特別っていうことではなかったね。
土屋氏:
ゲームというよりも「何か」を作りたかったっていうのは,お2人に共通していたんですね。
最初期のタイトー製ゲームに最初にサウンドを付けていた人物とは?
土屋氏:
イメージとしては,亀井さんがサウンドの創始者という感じだったんですけど,実際には亀井さんの入社以前にもサウンドの付いているゲームがあります。ということは,亀井さんの先輩方にもサウンドを作っていた方はおられるわけですよね。
亀井氏:
うーん,でもその方々とは全然接点がなかったんですよ。やり方を教えてもらったこととかもなくて,先輩の方々は映像を出す為の低い周波数をうまく使って「ピー」とか「ブー」とかのサウンドを作っておられたというのは,後から知りました。
土屋氏:
サウンドを作っていた人はそれまでにもいたにせよ,それをガッツリ専門としてやったのは,亀井さんが最初だったわけですね。
亀井氏:
最初は1作を1人が担当し,全部の回路を組んでいましたが,だんだん必要な回路が複雑化して,分業しないといけなくなってきた。僕はそんな世代のはしりだったんでしょうね。西角さんも,やろうと思えばご自身でサウンドを作れたはずだと思うんですよ。あの方は幅広い能力があって,ギターも弾けるし音感もある。でも「スペースインベーダー」のときは,もう音楽に割く余裕は無かったというか,それよりもゲームそのものについて考えなきゃいけなかったんだと思います。
![]() |
今村氏:
逆に言えば「スペースインベーダー」は音以外,西角さんが全部作っているんですよね。ドットのデザインもそうだし。
亀井氏:
開発環境もそう。マジックペンの中身を抜いて,ライトペンを作ったりしてね。
当時社内に1台だけあったパソコン(Intel製の開発ツール・Intellec MDS-800)は他の若い方に使わせて,西角さんは開発用のコンピュータを自分で組み立てて,磁気テープレコーダでデータ保存するような環境を自前で作っておられたんです。モニタプログラム(入出力管理プログラム)も自作しておられましたね。
今村氏:
ちなみにその社内に1台だけのパソコンを使っていた彼は,「ブルーシャーク」や「スペースクルーザー」(※)を作った,いわば西角さんの弟子みたいな人で。
※「ブルーシャーク」は1978年7月にリリース。「スペースインベーダー」と同時期に開発され,当時のタイトー営業部はこちらのほうに期待を寄せていたという。「スペースクルーザー」は1981年9月にリリース。BGMにムソルグスキーの「はげ山の一夜」をアレンジしたものが使われていた。いずれもアーケード向けシューティング。
4Gamer:
そちらの開発では,市販のパソコンを使っていたと。
今村氏:
もちろんパソコンだけでは作れなくて,ICE(インサーキット・エミュレータ。アーケード基板で本来CPUを挿す場所に挿すと,パソコンから直接その基板を制御できる)を間に挟んでやる必要があるわけです。
亀井氏:
「ブルーシャーク」はMidwayの基板を使い,ゲームソフトとサウンド回路は自社開発でしたね。
共存共栄,タイトーとMidwayの関係
4Gamer:
「ブルーシャーク」や「スペースインベーダー」の基板は,ベースの構造が米・Midwayの基板と非常によく似ていたことが知られています。やはり,Midwayの基板を参考になさったのでしょうか。
今村氏:
いや,ライセンスを受けていたんですよ。最初に来たのは「ボールパーク」(1977年5月リリース。英題は「Tornade Baseball」)だっけ? L字型ボードの。今でいうマザーボードにあたる部分はMidwayのものを使わせてもらって,ゲームボードの部分をこちらで作っていたんです。
![]() |
![]() |
亀井氏:
Midwayから来た回路を参考にしたりもしつつ,それを上回るものをこちらが作って,今度は向こうにラインセンスアウトしてっていうことをして。当時タイトーとMidwayはWin-Winの非常に良い関係だったから……。
今村氏:
フリッパー(ピンボール)でも縁が深かったしね。
亀井氏:
それで両社の技術が組み合わさっていったんです。西角さんもMidwayへ足を運んだりもしていましたね。向こうの技術者がこっちに来たっていうことは無かった気がしますけど(笑)。Midwayから開発機材の提供は受けていなかったので,西角さんが自前で機材を作ったのは,そのためでもあるんです。
4Gamer:
「スペースインベーダー」の基板はまさに,Midwayが設計した基板をサブボードなどで大きく拡張したものでした。そういった発展はMidwayにとっても喜ばしいものであったと。
亀井氏:
そうですね。あれはMidwayの基板そのままじゃできないはずなんです。あれだけの多くのキャラクターを動かすとなると,あのCPUでは非力なので。シフトレジスタっていう回路を組み込まないといけなくて,それはMidway側には無い技術なんですよ。あちらが作ったCPUベースのシステムと,西角さんがTTL(トランジスタと抵抗を組合わせて作る論理回路)で培ってきたテレビゲームの技術が合体することで,「スペースインベーダー」が作れたわけです。
![]() |
実は急ごしらえだった「スペースインベーダー」のサウンド
4Gamer:
「ブルーシャーク」と「スペースインベーダー」の開発が並行して進むなか,亀井さんは両方のサウンドを担当しておられましたが,実は「ブルーシャーク」のほうがメインの扱いだったそうですね。
亀井氏:
まず「ブルーシャーク」をやってと言われて,そっちを頑張っていたんですよ。タコの移動音とかね。それが,ええと……1978年の4〜5月ごろだったかな。その時は今ちゃん,もうタイトーにいたよね?
今村氏:
図面を一生懸命に引きながら,「何やってんだろう?」って見てたよ(笑)。
亀井氏:
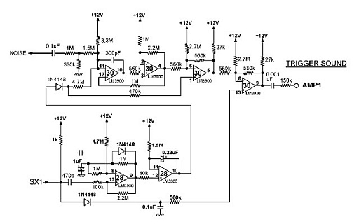
そのころに西角さんが「音作って」ってやってきて,「スペースインベーダー」も同時進行でやることになったわけです。でも締め切りまであまり時間がなかったんですね。その年の6月16日……今ではタイトーが公式に“スペースインベーダーの日”として日本記念日協会に登録している日ですけど,プライベートショーで「ブルーシャーク」と「スペースインベーダー」の両方がお披露目されることになっていて,それにサウンドを間に合わせなければならなかったんです。「ブルーシャーク」のほうは,何とか当日までに満足のいくサウンドが出来上がりました。でも「スペースインベーダー」のほうは時間がなかったので,「ブルーシャーク」のサウンド回路を一部そのまま転用することにしたんです。
![]() |
![]() |
4Gamer:
両作のサウンド回路は,根本的には同じものだと。実際の出音は,結構違って聞こえますが。
亀井氏:
抵抗とか,音をスイッチするタイミングとかを変えれば,いくらでもイメージは変わるんです。基板上で取ったり付けたりを繰り返しながら,その感覚をつかんでいきました。「ブルーシャーク」はタコとかサメとかいった生物が出るので,そのイメージで音を作っています。実際はタコが動くときに音なんて出ないわけですけど,あのすばしっこい動きを表現したつもりです。
4Gamer:
ショットも水音のような雰囲気ですね。
亀井氏:
でも「スペースインベーダー」は(世界観が)全然違うじゃないですか。しかも画面を見せてもらった時の僕の第一印象は「かわいい」だったんですよ。だから同じ回路を使っていても,まったく違って聴こえるように(抵抗やコンデンサを取り替えて)調整したんです。たとえば弾の発射音は,「ブルーシャーク」だと水中で近距離のものを撃つのに対し,「スペースインベーダー」は空中で遠距離のものを撃つわけですから,それに合わせて音を高くしたり,音が消えるまでの時間を調節したりと。
![]() |
4Gamer:
西角さんは他媒体に掲載された近年のインタビューで,あの高いショット音には納得がいっていなくて,亀井さんに修正をお願いしたけど,なかなか通じなかったというようなことをおっしゃっていましたね。
亀井氏:
とにかく僕は「ブルーシャーク」と差別化したかったんですよ。西角さんは,以前トークショーでご一緒したとき,当時のゲームコーナーでは非常に印象に残る音になっていたので,結果としては良かったのかなともおっしゃっていましたね。
4Gamer:
ショット音のサウンド回路は,ヒット音と共にもっとも部品点数が多いところなので,こだわりが見られます。
亀井氏:
部品はふんだんに使いましたね。どれくらい時間をかけたんだったか……当時は日報も何も書かなかったので,もう分かりません(笑)
今村氏:
ああ,僕も書いたことなかったなあ。
石川氏:
日報書かなくて良かった時代があるんですか! うらやましい(笑)。
![]() |
亀井氏:
画面を見ながら音を付けていたので,そんなに期間が無かったはずなんです。画面が出るってことは,システムができてるってことで,もう図面も書かれている。たぶん,もう今ちゃんがバラバラの図面を綺麗に書き直していたころだと思うんですよね(笑)。
それを(プリント基板の)アートワーク屋さんに出して,出来上がった基板に部品を載せてみて動作チェックして……というのを,先輩たち何人かとやって。
「スペースインベーダー」をショーでお披露目したのも,「ブルーシャーク」を出すという段階になってから,「あれもついでに出そうか」って話が出てきたという,そんな感じだったと思うんですよ。それで急がなきゃならなくなった。
石川氏:
「スペースインベーダー」は,その時点では「ついで」くらいのものだったんですね。
亀井氏:
そう。西角さんも何度かおっしゃっていますけど,そもそも開発途中の段階では,上司などに画面を見せないようにしておられたんですよ。煮詰める時間もないままにああだこうだ言われてしまうと,うまく行くものも行かなくなるから,テレビ画面だけ切るスイッチを作ったりして。画面を消していれば,まだ開発ツールを作っているんだと思わせられますからね。そういう時代だったんです。
4Gamer:
「ブルーシャーク」や「スペースインベーダー」のころ,サウンド制作にかけられる予算は,どれくらいのものだったのでしょうか。
亀井氏:
当時は予算管理なんてやってなかったですね。実際「スペースインベーダー」のサウンド回路はずいぶん贅沢というか,本来なら無くても良いようなものまで付いているんですよ。たとえば7種類の音出力それぞれに全部,音量ボリュームが付いています。細かく調整できていいと言えばいいんですが,全部ひとまとめにすればもっと安価になっただろうと,後々ずっと思っていました。でも試作ボードがそのまま量産化されて,それ以降改良の余裕もありませんでしたし,別に上司からそこを問題視されることもなかったんです。
4Gamer:
部品点数などについての指示や制約は無かったわけですね。
亀井氏:
ええ。だからSN76477(最初期のサウンドチップ)も,Texas Instrumentsが「これ使ってもらえませんか?」って売り込んできたときにサンプルとしていただいていたものを,「面白そうだな」くらいの気持ちで使うことができたんです。SN76477はUFOの音を出すのに使っていますね。
![]() |
4Gamer:
「スペースインベーダー」はSN76477を……というより,サウンドチップそのものを初採用したアーケードゲームになったわけですが,それはそういう自由な環境だったからこそなのですね。
亀井氏:
LM3900(オペアンプ。アナログサウンド回路の要となるIC)を結構たくさん使っていたので,それ以外のものも何か欲しいという気持ちもありました。予算を気にしなかったとはいえ,SN76477なら値段はLM3900の2つ分くらいで済みますし,シュリンクDIPっていう普通より小型のパッケージがあって,回路面積の節約にもなるので,いろいろ楽になるかなって思ったんです(笑)。
石川氏:
UFOの音って,実は基板上ではずっと発振しっぱなしになっているそうですね。ゲーム中でUFOが出る時に,信号の出口を開閉するだけとか。
亀井氏:
そうですね。西角さんのゲームプログラムからはオン/オフの信号だけが来ているんです。SN76477はプログラマブルなチップではないので,そういう意味ではLM3900と同じ感覚で使っていました。
4Gamer:
「ブルーシャーク」と「スペースインベーダー」のサウンド制作にかかった期間はどれくらいだったのでしょうか。
亀井氏:
風邪ひいて鼻水垂らしながら作っていた記憶があるので,寒い時期(1977年末〜1978年初旬ごろ)にやり始めていたと思うんです。そこから6月のショーまでだから,長くて4〜5か月というところでしょうか。
4Gamer:
「スペースインベーダー」のサウンド制作は,どのように?
亀井氏:
最初は基板上のサウンドに関する部分のアートワークがまったくなくて,スルーホールだけがたくさん並んでいる(いわゆるブレッドボードの)状態でした。アンプだけが載っていて,あとは部品をワイヤーで結線していったんです。ショーの前には,僕が描いた汚い図面を今ちゃんや上司の方々に見せて,テーブルとアップライトで5枚ずつ……計10枚くらい同じものを作ってもらいました。
![]() |
![]() |
4Gamer:
過去作品のサウンド回路を踏襲している部分もあるのでしょうか。
亀井氏:
ありますね。たとえばインベーダーの「ドシラソ」という歩行音は,もともと「スーパースピードレース」のファンファーレの音程を出す回路なんですよ。同じ仕組み(タイマーIC 556)を使っています。音程がしっかり合うように,±1%の抵抗でちゃんと調律しているんですが,これをやってくれたのは今ちゃんなんですよ。
![]() |
4Gamer:
移動音は最初,もっと高い音程で鳴っていたとか。
![]() |
最初はコミカルに「ピポパポ」って鳴らしていたんですが,筐体のデザインが上ってきたらすごく迫力のあるモンスターが描かれていて,上司からも「ちょっとこの音は軽すぎる」なんていう意見をもらったりしまして。
4Gamer:
サウンド制作途中に意見を言われることはあったんですね。
亀井氏:
しょっちゅう音を出していましたからね。通りがかった人が「おっ,それ何の音?」って聞いてきては,いろいろな意見をくれました。今ちゃんみたいに音楽的な知識を持っている人もいましたしね。
今村氏:
いやあ,私は(どんな風にするかについては)ノータッチでしたけどね。「スペースインベーダー」のころは基本的に図面を書いていただけです(笑)。
亀井氏:
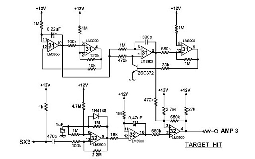
音のことは僕たち以外に誰も分からないので,「なんで±1%の抵抗が必要なの?」なんて尋ねてくる人もいなかったんです。移動音に関しては,西角さんから「もっと重厚で心臓に響くようなものが欲しい」ということだったので,当時流行っていた映画「ジョーズ」のテーマみたいな音にできないかなと思ったんです。
4Gamer:
「ジョーズ」のテーマをイメージしたというのは,よく知られる話です。
亀井氏:
西角さんの席にはギターがつねに置いてあって,それで「こんな感じかな?」って弾いていただいたのを覚えていますね。迫力を出すといっても,あまり複雑な回路を組むには,僕自身の力量も基板上のスペースも足りない。それで音程だけをどんどん落としていって,出来上がったのがあの音なんです。ただ,移動音は低くしましたけど,インベーダーに弾がヒットしたときの音はちょっと可愛らしいほうがいいと思って,ああいう「ペチョッ」ていう感じの音にしています。あれは「ブルーシャーク」のタコの出現音を遅くしたものなんですよ。
![]() |
4Gamer:
それは気づきませんでした! 移動音は,低くしたことによってスピーカーが壊れたりもしたそうですね。
亀井氏:
あんなことになるとは思いもしませんでした。あるとき「音が出ない」という修理依頼が来て,行ってみると基板を交換しても直らないんですよ。調べてみたらスピーカーのコーン紙が破れちゃっていて。当時はシングルコーンの安いスピーカーを使っていて,そんなに低音を出すこともなかったんです。「スペースインベーダー」ではいちおうフィルタを入れて(音圧を軽減するようにして)はいたんですけど,それでも音がもともと鋭い矩形波なので,コーンを思いきり動かしちゃうんですね。その後,メンテナンス要員総出で,出荷後のものも全部,溝の大きいダブルコーンに変えていきました。たかがスピーカーではあるんですが,月に60万円も稼ぎ出すようなものを音ナシのままで置いておくわけにはいかなかったので,動きは早かったですよ。
「開発」ではない「生産技術」としての仕事
![]() |
「スペースインベーダー」のアップライト筐体って,筐体がエンクロージャーがわりになっていて,TT筐体(テーブル版)より格段に音がいいんですよ。ハコ鳴りで音の迫力がさらに増していますよね。そうした効果まで考えて設計しておられました?
亀井氏:
いやあ,そこまでは考えてなかった。
今村氏:
その当時はまだそういう感覚がなかったよね。我々は西角さんのような「開発」じゃなくて「生産技術」だったし。
亀井氏:
作るので精一杯。モノが出来上がったら,今度は大量生産のことを考えないといけないわけです。「スペースインベーダー」の基板だって何種類もありましたし,途中から部品が変わって再調整しなくちゃいけなくなることもありました。たとえばTTLは,最初Intelのものを使っていて,途中から三菱のセカンドソース品に変えたんですね。そうしたら(仕様上は同じなのに)特性が若干違うんですよ。タイミングが変わっちゃうので,それを直すためにあちこちにコンデンサを付けていくんですが,そうすると回路が変わるので,また図面を書き直さなくちゃいけなくて。
今村氏:
ROMを8Kから16Kに変えたら,何故か動かなくなったっていうこともありましたね。何が原因だったか思い出せないんだけど,全員集まってROMを総取り替えしましたよ。
亀井氏:
プログラムの書き換えが発生して,ROM交換したりもしました。僕自身も倉庫まで行って,市場に出る前の基板をバラして交換したんです。自宅が倉庫の近くだったので,マスターROMを持ち帰って,自宅でEPROMを消したり焼いたりしたこともありましたねえ。
今村氏:
いろいろありましたね。
![]() |
亀井氏:
電源も苦労したんですよ。あの基板の8080 CPUとサウンドを動かすには,当時まともに作っていたら5万円から10万円くらいのスイッチングレギュレータが必要だったんです。でもゲーム用の電源なら1万円以下で作らないといけないので,いろいろな電源メーカーに相談してみたんですが,「そんなの無理ですよ」ってどこからも断られてしまって。
4Gamer:
処理能力に対する電力消費量が,今とは雲泥の差ですからね。
亀井氏:
唯一,TDKさんが「うちでやりましょうか」とおっしゃってくださって。こういうゲーム用の安価なスイッチングレギュレータは業界初で,もしあれがなかったら「スペースインベーダー」をあんなに大量生産することはできなかったでしょう。
今村氏:
大量生産といえば,タイトーが海老名工場用の建屋を購入したのも,ちょうどこのころですよ。たまたまなんだけど,結果的に「スペースインベーダー」の製造が追いつかなくなってきたタイミングだったので,買っておいて良かったね,と。でも実はそれ以上に助かったところがあって。「スペースインベーダー」の開発中に「自社工場がないとテレビゲームを作っちゃいけない」っていう規制(※電気用品取締法 附則【昭和52年11月11日政令第三〇五号】)ができたんですよ。
4Gamer:
外注での製造ができなくなってしまう,と。
今村氏:
なので,もし海老名工場がなかったら危なかった。我々は普段の仕事もやりつつ,交代で海老名工場に行って,パートさんたちと一緒に筐体を作っていました(笑)。まだ当時はバラックだったんだけど。
亀井氏:
初めて行ったときはホコリだらけで何もなかったので,まず綺麗に掃除して,ラインを作るところからやりました。テーブル筐体の需要が高まっていたので,それをどんどん作っていたんです。強化ガラス板を吸盤で持ち上げて移動させる機械とか,そういうものまで僕らで作って。余談になりますけど,僕はそこで生産ライン管理用カウンタなんてものまで作ったんですよ。「このラインは何台作った」っていうのがすぐ分かるようになれば,より効率的だろうと思って,大きく数字を表示するようなものを。そうしたらパートさんたちに「これは私達にはプレッシャーが重すぎるので,お願いですから無くしてください」と言われました。せっかく作ったのに(笑)。
音楽として認められる「スペースインベーダー」
4Gamer:
話は変わりますが,この「ディスコ・スペースインベーダー」というレコードはご記憶でしょうか。収録スタジオが偶然タイトー本社のお隣にあって,音声収録にタイトーの協力があったということなのですが。
![]() |
亀井氏:
ああ,覚えています。レコードが出来上がってから教えてもらった記憶がありますね。
今村氏:
これウチにもあるけど,我々(開発スタッフ)は関与してないですね。営業のほうでやったのかな。
石川氏:
そうでしょうね。都内に開発はなかったですから。
4Gamer:
これを筆頭に,インベーダー・ブームの渦中にはさまざまな関連レコードが作られました。YMOも「スペースインベーダー」の音を採り入れ(※),世間がインベーダー・サウンドを口ずさむような状況が生まれましたね。
※アルバム「イエロー・マジック・オーケストラ」に収録された「コンピューター・ゲーム“インベーダーのテーマ”」。
亀井氏:
僕は単純に嬉しかったですよ。でも当時は「この音を作ったのは自分だ」なんて話は,友人にもしませんでした。何も知らない友人に「おまえもゲーム会社に勤めているんなら,『スペースインベーダー』みたいなゲームとか音とか作れよ」みたいなことを言われたりもしましたけどね(笑)。10年くらいは何も言わなかったので,社内でも知っている人は多くなかったと思います。作者として表に出てくるのは西角さんなので,僕は表に出ちゃいけないんだろうな,みたいな気持ちもあって,静かにしていたんです。
今村氏:
社内的にも社外的にも,音はまだ二の次・三の次の扱いだったから。これは卑下して言うんじゃなくて。
亀井氏:
ZUNTATAの時代になって,本当にちゃんと音楽ができる人が集まってから空気が変わってきて,そうなると著作権的な意識も生まれてくるわけです。
4Gamer:
それまでは日陰者で当たり前,くらいの感じだったわけですね。
- 関連タイトル:
スペースインベーダー インヴィンシブルコレクション
- この記事のURL:
キーワード
- Nintendo Switch:スペースインベーダー インヴィンシブルコレクション
- Nintendo Switch
- シューティング
- TAITO
- TAITO
- プレイ人数:1人
- インタビュー
- ライター:hally
- カメラマン:増田雄介
- 企画記事
(C)TAITO CORPORATION 1978, 2019 ALL RIGHTS RESERVED.














































